Elektronischer 2-Kanal Memory Schalter 2 A
Art.-Nr. MS2-2

Bitte lesen Sie diese Anleitung vollständig und sorgfältig durch, bevor Sie das Modul in Betrieb nehmen.
Sicherheitshinweise
- Das Modul darf nicht an Netzspannung (230 V) betrieben werden. Es besteht Lebensgefahr!
- Das Modul ist kein Spielzeug! Halten Sie das Gerät von Kindern fern.
- Verwenden Sie das Modul nicht, wenn es beschädigt ist.
- Betreiben Sie das Modul nicht in einer Umgebung, in welcher brennbare Gase, Dämpfe oder Staub vorhanden sind.
- Durch Übertragungsfehler der Fernsteuerung oder durch Firmware-/Hardwarefehler im Modul können fehlerhafte Schaltfunktionen niemals vollständig ausgeschlossen werden. Betreiben Sie das Modul und Ihr Funktionsmodell stets so, dass durch solche Fehlschaltungen keine Gefährdung für Sie oder Dritte entstehen kann.
Bestimmungsgemäße Verwendung
Die bestimmungsgemäße Verwendung des Moduls ist das Schalten von ohmschen Lasten im Bereich des RC-Funktionsmodellbaus. Der Anschluss des Moduls erfolgt an einen freien Kanal des Empfängers.
Produktbeschreibung
Der 2-Kanal RC Memory Schalter wird am Fernsteuerempfänger angeschlossen und schaltet über einen Schalt- oder Proportionalkanal der Fernsteuerung zwei verschiedene Verbraucher (Glühlampen, LED, Sirene, Elektromotoren, ...) unabhängig voneinander ein- oder aus. Für beide Schaltfunktionen gibt es eine optische Schaltkontrolle durch LED.
Anschluss
Anschlussbelegung: Empfänger und Last
Das Modul wird mit einem 3-pol. Patchkabel (mit beidseitigem 3-pol. Stecker im 2,54 mm Rastermaß) wie ein Servo am Empfänger angeschlossen. Geeignete Patchkabel sind als Zubehör bei cp-elektronik.de erhältlich. Beachten Sie beim Aufstecken des 3-pol. Steckers am Modul die richtige Polung. Je nach verwendetem Anschlusskabel kann die Farbgebung abweichen:
| System | Impuls | Pluspol | Minuspol |
|---|---|---|---|
| Graupner | orange | rot | braun |
| Futaba | weiß | rot | schwarz |
Die zu schaltenden Verbraucher (im Bild ist dafür beispielhaft das Schaltzeichen einer Glühlampe verwendet) werden über Kabel (ggf. mit Aderendhülsen) mit den Anschlussklemmen verbunden. Die Verbraucher lassen sich mit den herausgeführten 1 x UM Relaiskontakten bei aktivem Relais entweder ein- oder ausschalten. Im Bild ist die Anschlussbelegung für das Einschalten eines Verbrauchers bei aktiviertem Schaltkanal gezeigt.
Achtung
Der maximale Strom pro Schaltfunktion beträgt 2 A. Bei Überschreitung dieser Werte wird das Modul beschädigt!
Eine häufige Anwendung besteht darin, einen Elektromotor Vorwärts-Stopp-Rückwärts zu steuern. Das folgende Bild zeigt die Verkabelung. Läuft der Motor in der falschen Richtung an, können die Akku- oder Motoranschlüsse vertauscht werden. Der Elektromotor ist sorgfältig zu entstören!
Anschlussbelegung: Elektromotor vorwärts-stopp-rückwärts
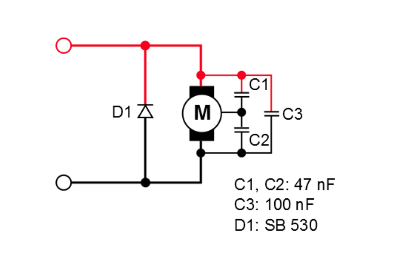
Sollen Motoren nicht umgepolt, sondern nur in einer Drehrichtung betrieben werden, ist eine Freilaufdiode vorzusehen, wie im folgenden Bild gezeigt. Die Kondensatoren C1-C3 dienen zur Entstörung des Motors.
Freilaufdiode und Entstörkondensatoren bei Betrieb eines Motors
Montage im Modell
Warnung
Schützen Sie das Modul vor Feuchtigkeit und Spritzwasser. Durch Feuchtigkeit kann es zu Fehlfunktionen kommen.
Das Modul kann mit vier M3 Schrauben und Distanzhülsen auf einem Modulträger im Modell befestigt werden. Ein geeigneter Befestigungssatz ist bei cp-elektronik.de erhältlich (Art.-Nr. FIT-001).
Bedienung
Info
Immer zuerst den Sender, dann den Empfänger einschalten.
Schließen Sie den 2-Kanal RC-Schalter an einen freien Anschluss des Empfängers an. Lassen Sie die beiden Steckbrücken zunächst offen. Bringen Sie den Steuerknüppel bzw. den 3-stufigen Schalter am Sender in Mittelstellung und schalten Sie Sender und Empfangsanlage ein. Die rote LED leuchtet kurz auf, in dieser Zeit wird die Neutralstellung ermittelt. Nach ca. einer Sekunde verlischt die rote LED und der Baustein ist betriebsbereit. Durch Bewegen des Steuerknüppels in die beiden Endpositionen lassen sich die beiden Schaltfunktionen aktivieren, was durch Aufleuchten der Schaltkontroll-LEDs angezeigt wird. Das Anziehen der Relais ist leise hörbar.
Die beiden Schaltkanäle verfügen über eine Memory-Funktion (Latch), d.h. bei der ersten Betätigung schaltet die Funktion ein, bei der zweiten Betätigung schaltet sie wieder aus. Auf diese Weise lassen sich beide Schaltfunktionen auch unabhängig voneinander ein- und ausschalten. Ist dieses Verhalten nicht gewünscht, lässt sich durch das Aufsetzen der Steckbrücken auf die 2-pol. Stiftleisten die Memoryfunktion für jeden Kanal einzeln abschalten. Die Funktion ist jetzt nur so lange eingeschaltet, wie sich der Steuerknüppel bzw. der Schalter in der Endposition befindet.
Aktivieren Sie nun beide Kanäle. Schalten Sie dann testweise den Sender aus. Falls der Empfänger nicht über eine Fail-Safe Funktion verfügt, leuchtet die rote LED auf und zeigt die Empfangsstörung an. Nach ca. 10 Sekunden werden die aktiven Kanäle ausgeschaltet.
Info
Eine dauerhaft leuchtende rote LED signalisiert fehlerhafte Empfängerimpulse und deutet auf Empfangsstörungen oder einen ausgeschalteten Sender! Überprüfen Sie den richtigen Anschluss am Empfänger und den richtigen Anschluss des Servokabels.
Reparatur
Reparieren Sie das Modul nur, wenn Sie über ausreichende Fachkenntnisse verfügen. Falls Sie Ersatzteile oder Hilfe bei einer Reparatur benötigen, wenden Sie sich bitte an cp-elektronik.de.
Technische Daten
| 2-Kanal RC Memory Schalter 2 A | |
|---|---|
| Abmessungen | 38 mm x 42 mm |
| Betriebsspannung Empfänger | 4,8 V - 7,2 V |
| max. Schaltspannung | 24 V |
| max. Strom pro Kanal | 2 A |
| max. Stromaufnahme aus Empfänger | 80 mA bei 5 V |
| Gewicht | 15 g |
Kontakt
Claus Poltermann
Plankensteinweg 2
85435 Erding
Tel.: 08122 868 27 99
Web: https://cp-elektronik.de
e-Mail: info@cp-elektronik.de
Entsorgung

Elektro- und Elektronikgeräte, die unter das ElektroG fallen dürfen nicht über den Restmüll entsorgt werden, sondern können kostenlos bei den kommunalen Sammelstellen (z.B. Wertstoffhöfen) abgegeben werden.