16-Kanal Multiswitch Decoder MSCP2
Art.-Nr. MSCP2D-16

Bitte lesen Sie diese Anleitung vollständig und sorgfältig durch, bevor Sie das Modul in Betrieb nehmen.
Sicherheitshinweise
- Das Modul darf nicht an Netzspannung (230 V) betrieben werden. Es besteht Lebensgefahr!
- Das Modul ist kein Spielzeug! Halten Sie das Gerät von Kindern fern.
- Verwenden Sie das Modul nicht, wenn es beschädigt ist.
- Bei Überlastung des Moduls besteht Brandgefahr durch hohe Wärmeentwicklung
- Betreiben Sie das Modul nicht in einer Umgebung, in welcher brennbare Gase, Dämpfe oder Staub vorhanden sind.
- Durch Übertragungsfehler der Fernsteuerung oder durch Firmware-/Hardwarefehler im Modul können fehlerhafte Schaltfunktionen niemals vollständig ausgeschlossen werden. Betreiben Sie das Modul und Ihr Funktionsmodell stets so, dass durch solche Fehlschaltungen keine Gefährdung für Sie oder Dritte entstehen kann.
Bestimmungsgemäße Verwendung
Die bestimmungsgemäße Verwendung des Moduls ist das Schalten von ohmschen Lasten im Bereich des RC-Funktionsmodellbaus mit einer max. Stromaufnahme von 2 A an einer max. Spannung von 24 V.
Der Anschluss des Moduls erfolgt an einem Fernsteuerempfänger.
Produktbeschreibung
Der 16-Kanal Multiswitch Decoder wird am Fernsteuerempfänger angeschlossen und schaltet über einen Schalt- oder Proportionalkanal der Fernsteuerung 16 verschiedene Verbraucher (Glühlampen, LED, Sirene, kleine Elektromotoren, ...) unabhängig voneinander ein oder aus.
geeignete Encoder
Voraussetzung für den Betrieb ist senderseitig ein MSCP2 Multiswitch Encoder:
- cp-elektronik Encoder Art.-Nr. MSCP2E-F für robbe/Futaba Sender F-14/FC-Serie
- cp-elektronik Encoder Art.-Nr. MSCP2E-G für div. Graupner Sender mit Nautic-Modul Option
Der Betrieb mit anderen Encodertypen ist nicht möglich, da diese das MSCP2 Übertragungsverfahren nicht unterstützen.
Für alle Schaltfunktionen gibt es eine optische Schaltkontrolle durch LED.
Anschluss
Achtung
Bitte beachten Sie bei allen Anschlüssen die richtige Polung! Bei Verpolung kann das Modul zerstört werden!
Anschluss am Empfänger
Das Modul wird mit einem 3-pol. Patchkabel (mit beidseitigem 3-pol. Stecker im 2,54 mm Rastermaß) wie ein Servo am Empfänger angeschlossen. Geeignete Patchkabel sind als Zubehör bei cp-elektronik.de erhältlich.
Je nach verwendetem Anschlusskabel kann die Farbgebung abweichen:
| Impuls | Pluspol | Minuspol | |
|---|---|---|---|
| System Graupner | orange | rot | braun |
| System robbe/Futaba | weiß | rot | schwarz |
Anschluss der Verbraucher und der externen Versorgung
Hinweis
Testen Sie eine Verkabelung im Modell zunächst am Besten mit einem Labornetzgerät mit Strombegrenzung oder OCP (Over Current Protection) und erst dann mit einem Akku. Falls kein Labornetzgerät zur Verfügung steht, schalten Sie bitte zum Test eine Sicherung (1 ... 2 A, flink) in den Stromkeis.
Der Anschluss der Verbraucher erfolgt über Stiftleisten im 2,54 mm Rastermaß. Passende 2-pol. Anschlusskabel sind bei cp-elektronik.de erhältlich.

Die Verbraucher werden aus einer oder zwei externen Spannungsquellen 6 V bis 24 V versorgt, die auf der Leiterplatte über Schraubklemmen angeschlossen werden.
- ist die Drahtbrücke eingelötet, sind die Schraubklemmen V1 und V2 miteinander verbunden. Die externe Spannungsversorgung kann an V1 oder V2 angeschlossen werden.
- sollen die Verbraucher an V1 und V2 aus zwei verschiedenen Spannungsquellen versorgt werden, ist die Drahtbrücke zu unterbrechen.
Info
Die Minuspole von V1 und V2 sind immer durch die Leiterplatte miteinander und mit der Spannungsversorgung des Empfängers verbunden.
Die Verbraucher werden nach Minus durchgeschaltet und haben alle einen gemeinsamen Pluspol.
Beim Anschluss von LEDs bitte die Polung beachten (rot: Pluspol, schwarz: Minuspol) und einen geeigneten Vorwiderstand nicht vergessen.
Achtung
Der maximale Strom pro Schaltfunktion beträgt 2 A. Die Gesamtbelastung des Moduls bei mehreren eingeschalteten Verbrauchern darf 5 A nicht überschreiten. Bei Überschreitung dieser Werte wird das Modul beschädigt!
Falls höhere Ströme zu schalten sind, ist die Verwendung eines Relais-Moduls zu empfehlen. (Mit dem Relais-Modul Art.-Nr. MOD-012 können Ströme bis 16 A geschaltet werden.)
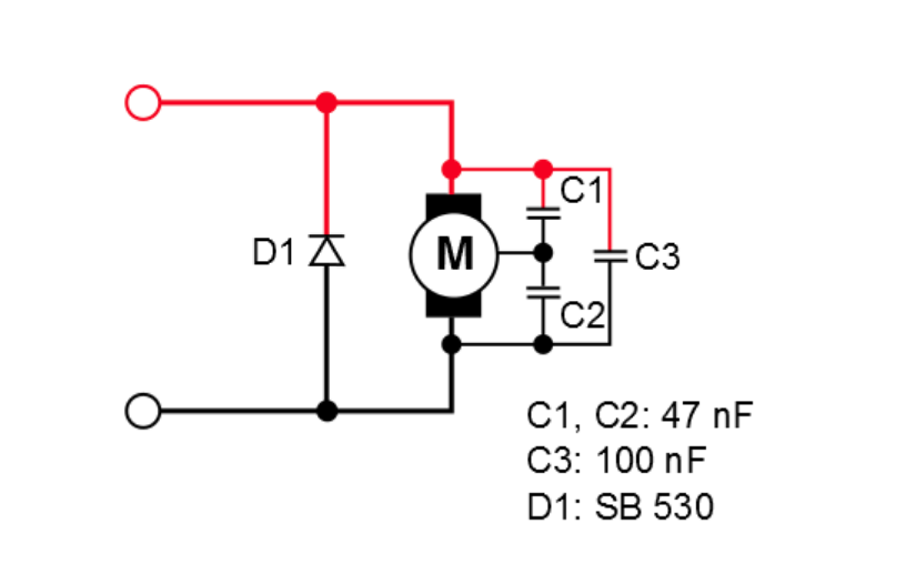
Beim Anschluss von Elektromotoren ist auf eine ausreichende Funkentstörung zu achten!
Zum Schutz der Ausgangsstufe sind induktive Lasten (Elektromotoren, Relais) über eine Freilaufdiode zu betreiben.

Anschluss eines Motors mit Entstörkondensatoren und Freilaufdiode

Einsatz einer Freilaufdiode bei Anschluss eines Relais.
Käufliche Relais-Module haben üblicherweise bereits eine Freilaufdiode integriert, daher ist die Polung unbedingt zu beachten!
Montage im Modell
Die Leiterplatte kann im Modell mit vier Schrauben M3 und zwei 5 mm Distanzhülsen auf einem Modulträger befestigt werden. Ein Befestigungssatz ist bei cp-elektronik.de erhältlich (Art.-Nr. FIT 001).
Achtung
Das Modul muss vor Spritzwasser und Berührung geschützt eingebaut werden.
Bedeutung der LEDs
| LED | Bedeutung |
|---|---|
| grüne LEDs | Schaltkontroll-LEDs, leuchten bei aktiviertem Schaltkanal |
| rote LED | signalisiert den Setup-Modus |
| gelbe LED | signalisiert die Verarbeitung übertragener Daten, leuchtet bei Betätigung eines Schalters am Encoder kurz auf |
Funktion der Schalter am DIP Switch
| DIP Switch Nr. | Funktion |
|---|---|
| DIP Switch #1 | Memory Setup Modus |
| DIP Switch #2 | reserviert |
| DIP Switch #3 | reserviert |
| DIP Switch #4 | reserviert |
| DIP Switch #5 | reserviert |
Inbetriebnahme
Im Allgemeinen sollten Sie immer zuerst den Sender, dann den Empfänger einschalten.
Verbinden Sie den Decoder mit dem Empfänger. Die Spannungsversorung der Verbraucher bleibt zunächst ausgeschaltet. Schalten Sie die Stromversorgung des Empfängers ein. Mit den Schaltern des Encoders am Sender sollten sich alle Kanäle schalten lassen. Dies wird durch die grünen Schaltkontroll-LEDs am Decoder angezeigt.
Die Auswertung der übertragenen Daten wird durch ein kurzes Aufleuchen der gelben LED signalisiert.
Setup der Memory-Funktion
Bei aktivierter Memory-Funktion schaltet ein Schaltkanal bei der ersten Betätigung ein, aber erst bei der zweiten Betätigung wieder aus. Damit können auch zwei Funktionen gleichzeitig eingeschaltet sein, die am Sender mit einem Schalter betätigt werden. Um festlegen zu können, welche Kanäle eine Memory-Funktion haben sollen und welche nicht, gibt es den Memory-Setup Modus. Wird der DIP-Schalter Nr. 1 am Decoder eingeschaltet, befindet sich der Mikrocontroller im Memory-Setup Modus.
Zur Einstellung der Memory-Funktionen sollten die Verbraucher vom Decoder getrennt werden bzw. die externe Versorgung der Verbraucher sollte ausgeschaltet sein.
Für die korrekte Ausführung des Setup ist es sehr wichtig, alle im Folgenden aufgeführten Schritte genau in dieser Reihenfolge und genau wie beschrieben auszuführen.
- Sender und Empfänger ausschalten.
- Am Decoder DIP-Schalter #1 auf ON stellen.
- Sender einschalten.
- Empfänger/Decoder einschalten. Die rote LED leuchtet.
- Alle Kanäle, die eine Memory-Funktion haben sollen, werden am Sender/Encoder eingeschaltet. Die entsprechenden Schaltkontroll-LEDs am Decoder leuchten auf. Damit auch beide Kanäle eines Schalters gleichzeitig eingeschaltet werden können, verfügen alle Kanäle für die Dauer des Setup über eine Memory-Funktion. Um einen Kanal wieder auszuschalten, wird der Schalter aus der Neutralposition heraus nochmals eingeschaltet. Falls Sie auf keinem der Kanäle eine Memory-Funktion wünschen, lassen Sie im Setup-Modus alle Kanäle ausgeschaltet.
- Wenn alle Kanäle eingestellt sind, beenden Sie den Setup-Modus, indem Sie DIP Schalter Nr. 1 wieder in die Stellung OFF bringen. Die rote LED verlischt. Alle Kanäle, die zu diesem Zeitpunkt eingeschaltet waren haben nun eine Memory-Funktion.
- Empfänger ausschalten.
- 30 Sekunden warten und in dieser Zeit den Empfänger/Multiswitch Decoder ausgeschaltet lassen. Die Kondensatoren müssen sich vollständig entladen.
- Empfänger/Multiswitch Decoder wieder einschalten. Die neuen Einstellungen sind jetzt aktiv und alle Schaltfunktionen sollten sich mit den Schaltern am Sender bedienen lassen.
Das Memory Setup kann bei Bedarf jederzeit erneut durchgeführt werden.
Reparatur
Bitte führen Sie eine Reparatur nur durch, wenn Sie über die erforderlichen Fachkenntnisse verfügen. Falls Sie Ersatzteile oder Hilfe bei einer Reparatur benötigen, wenden Sie sich bitte an cp-elektronik.de.
Technische Daten
| 16-Kanal Multiswitch Decoder MSCP2 | |
|---|---|
| Übertragungsprotokoll | MSCP2 |
| Abmessungen | 62 mm x 47 mm |
| Gewicht o. Anschlusskabel | 24 g |
| Spannung (ext. Versorgung) | 6 V ... 24 V |
| max. Strom pro Kanal | 2 A |
| max. Gesamtstrom | 5 A |
| max. Stromaufnahme (Empfängerstromkreis) | 100 mA |
| Betriebsspannung (Empfänger) | 4,8 ... 8,4 V |
Kontakt
Claus Poltermann
Plankensteinweg 2
85435 Erding
Tel.: 08122 868 27 99
Web: https://cp-elektronik.de
e-Mail: info@cp-elektronik.de
Entsorgung

Elektro- und Elektronikgeräte, die unter das ElektroG fallen dürfen nicht über den Restmüll entsorgt werden, sondern können kostenlos bei den kommunalen Sammelstellen (z.B. Wertstoffhöfen) abgegeben werden.