Power BEC Modul

Bitte lesen Sie diese Anleitung vollständig und sorgfältig durch, bevor Sie das Modul in Betrieb nehmen.
Sicherheitshinweise
- Das Modul darf nicht an Netzspannung (230 V) betrieben werden. Es besteht Lebensgefahr!
- Bei hoher Belastung kann sich der Spannungsregler stark erwärmen. Vorsicht bei Berührung! Verbrennungsgefahr!
- Das Modul ist kein Spielzeug! Halten Sie das Gerät von Kindern fern.
- Verwenden Sie das Modul nicht, wenn es beschädigt ist.
- Betreiben Sie das Modul nicht in einer Umgebung, in welcher brennbare Gase, Dämpfe oder Staub vorhanden sind.
Bestimmungsgemäße Verwendung
Die bestimmungsgemäße Verwendung des Moduls ist die Versorgung der Empfangsanlage in RC-Modellen aus einem Akkumulator.
Produktbeschreibung
In ferngesteuerten RC-Modellen wird die Empfangsanlage und die daran angeschlossene Elektronik (Servos, elektronische Schalter, Fahrtregler, ...) häufig aus einem eigenen Akku betrieben, der eine Spannung von ca. 5 V bereitstellt (Empfängerakku). Für große Verbraucher wie etwa die Antriebsmotoren wird ein eigener Akku verwendet (Fahrakku).
Ab einer Spannung des Fahrakkus von 6,5 V kann die Empfangsanlage ebenfalls über den Fahrakku versorgt werden, der Empfängerakku kann entfallen, man spart Gewicht, Kosten und Pflegeaufwand. Die Spannung des Fahrakkus muss reduziert werden, um Empfänger und Servos nicht zu überlasten. Außerdem ist eine Stabilisierung wünschenswert, d.h. die Empfängerspannung sollte einen konstanten Wert haben, unabhängig von der momentanen Belastung des Fahrakkus und den damit verbundenen Spannungsschwankungen.
Solche Module sind unter dem Namen BEC (engl. Battery Eliminating Circuit) bekannt. Wichtig ist, dass die Spannung für den Empfänger auch dann konstant bleibt, wenn kurzzeitig hohe Ströme fließen, wie es bei angeschlossenen Servos beim Stellvorgang der Fall ist.
Das Power-BEC Modul kann kurzzeitig einen Strom von 5 A bereitstellen und ist damit hoch belastbar. Es verwendet einen linearen Regler zur Stabilisierung, EMV Störungen durch getaktete Schaltregler treten dabei nicht auf. Allerdings sind lineare Regler weniger effizient, der Regler kann sich bei hoher Belastung erwärmen und benötigt einen Kühlkörper, um die Verlustwärme abzugeben.
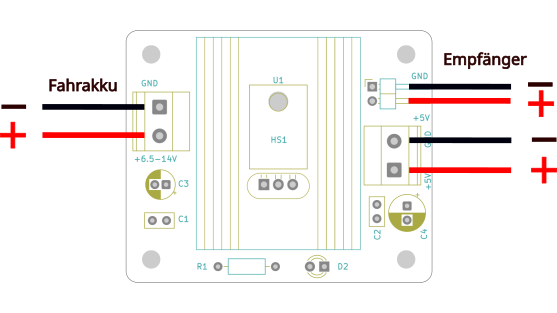
Anschluss
Achtung
Bitte beachten Sie beim Anschluss unbedingt auf die richtige Polung!

Die Polarität von Eingang und Ausgang ist auf der Leiterplatte angegeben.
Die Empfängerstromversorgung kann über eine Schraubklemme oder alternativ über eine Stiftleiste im 2,54 mm Rastermaß angeschlossen werden.
Montage im Modell
Schützen Sie das Modul vor Feuchtigkeit und Spritzwasser. Durch Feuchtigkeit kann es zu Fehlfunktionen kommen.
Das Modul kann mit vier M3 Schrauben und Distanzhülsen auf einem Modulträger im Modell befestigt werden. Ein geeigneter Befestigungssatz ist bei cp-elektronik.de erhältlich (Art.-Nr. FIT 001).
Störung und Reparatur
Die LED zeigt an, dass die Ausgangsspannung anliegt.
Das Modul ist gegen Kurzschluss und Übertemperatur geschützt. Bricht die Ausgangsspannung nach kurzer Betriebszeit ein, deutet das auf eine thermische Überlastung des Moduls. Lassen Sie das Modul wieder abkühlen und reduzieren Sie die Last am Ausgang.
Führen Sie eine Reparatur nur durch, wenn Sie über ausreichende Fachkenntnisse verfügen. Falls Sie Ersatzteile oder Hilfe bei einer Reparatur benötigen, wenden Sie sich bitte an cp-elektronik.de.
Technische Daten
| Abmessungen | 53 mm x 45 mm |
| Eingangsspannung | 6,5 V - 14 V |
| Ausgangsspannung | 5 V stabilisiert |
| Dauerbelastbarkeit bei 7,4 V | 3,7 A |
| Dauerbelastbarkeit bei 12 V | 1,2 A |
| max. Ausgangsstrom | 5 A kurzzeitig |
| Gewicht | 32 g |
Kontakt
Claus Poltermann
Plankensteinweg 2
85435 Erding
Tel.: 08122 868 27 99
Web: https://cp-elektronik.de
e-Mail: info@cp-elektronik.de
Entsorgung
Elektro- und Elektronikgeräte, die unter das ElektroG fallen dürfen nicht über den Restmüll entsorgt werden, sondern können kostenlos bei den kommunalen Sammelstellen (z.B. Wertstoffhöfen) abgegeben werden.